Russian Federation
Russian Federation
The article is devoted to the issue of definition in situ vertical effective stress in weakly filtering soils (WFS). Shown. that the calculation of the vertical effective stress in soils, taking into account the weighing action of water, is valid only for the special case of the hydrostatic distribution of pore pressure over depth. In this regard, it is proposed to determine the vertical effective stress by the difference between total and pore pressure, in accordance with the principle of effective stresses of K. Terzagi, as more universal. The existing variants of pore pressure calculations in weakly filtering soils are considered. The example shows that zeroing the pore pressure leads to an overestimation of the in situ effective stress in the WFS, and the hydrostatic distribution, as a rule, leads to its underestimation. A computational method for determining the vertical effective stress in the WFS by linear interpolation is presented. Formulas for determining pore pressure and vertical effective stress in the WFS layer are proposed. The features of the application of the interpolation method for different values of groundwater levels in aquifers in depth are considered. A necessary condition for calculating the pore pressure by interpolation is information about the level of groundwater in the underlying aquifer, which must be taken into account when performing engineering-geological surveys. Examples of comparison of the results obtained by various calculation methods with the data of direct measurements of pore pressure by the dissipation method and the method of filled wells are given. The analysis showed that the values of pore pressure in the WFS layers calculated by linear interpolation correspond to direct measurements of pore pressure to the greatest extent. Thus, the linear interpolation method is the most reliable calculation method and can be recommended for use when performing geotechnical calculations.
Clay soils, effective stress, pore pressure, effective stress principle, groundwater level, linear interpolation method
Введение
Достоверное определение бытового давления, или вертикального эффективного напряжения от собственного веса грунта, что более корректно, является одним из наиболее важных этапов инженерно-геологических изысканий и геотехнических исследований. От данного параметра зависит определение размеров сжимаемой толщи при расчетах осадок оснований фундаментов, определение характеристик переуплотнения грунтов, а также назначение исходных условий проведения полевых и лабораторных испытаний.
Расчет природного вертикального эффективного напряжения в действующих до недавнего времени нормативных технических документах производился в соответствии с законом Архимеда (СП 22.12220.2011 «Основания зданий и сооружений. Актуализированная редакция СНиП 2.02.01-83*»). При этом взвешивающее действие воды в грунтах, расположенных ниже установившегося верхнего уровня подземных вод (УПВ), учитывалось путем вычитания из объемного веса грунта объемного веса воды.
Данный подход действительно может быть использован, но только в случае гидростатического распределения порового давления по глубине, например, в песчаной толще, представленной одним водоносным горизонтом в зоне взаимодействия геологической среды и сооружения. Однако в большинстве случаев в ярусной системе водоносных горизонтов, установившиеся уровни подземных вод не совпадают и зачастую имеют инверсный характер. В результате расчет эффективного напряжения в грунтах с использованием линейного гидростатического распределения порового давления по глубине может приводить к существенным ошибкам.
В связи с этим в редакции СП 22.13330.2016 «Основания зданий и сооружений. Актуализированная редакция СНиП 2.02.01-83*» для определения вертикального эффективного напряжения в грунтах было предложено использование принципа эффективных напряжений К. Терцаги [1], как более универсального. В соответствии с этим принципом природное вертикальное эффективное напряжение грунта от собственного веса σ′i определяется разницей между полным напряжением грунта от собственного веса σi и природным поровым давлением ui:
![]()
Значение полного вертикального напряжения σi рассчитывают методом послойного суммирования, а поровое давление ui определяют с учетом уровня подземных вод в рассматриваемом слое грунта. Таким образом учитывается разница пьезометрических напоров в разных слоях, разделяемых слабо фильтрующими слоями грунтов (СФГ).
Однако, определение порового давление в самих слоях СФГ до недавнего времени вызывало большие споры. Иллюстрацией разницы в подходах к расчету порового давления и соответствующего эффективного напряжения различными методами в слоях СФГ являются графики, представленные на рис. 1 и 2.

Рис. 1. Принципиальные схемы расчета порового давления в слое СФГ: a - при поровом давлении, в СФГ равным нулю, b - при распределении порового давления по гидростатическому закону; c - при определении порового давлении методом линейной интерполяции

Рис. 2. Принципиальные схемы расчета изменения вертикального эффективного напряжения в слое СФГ: a - при поровом давлении, в СФГ равным нулю, b - при распределении порового давления по гидростатическому закону; c – при определении порового давлении методом линейной интерполяции
До недавнего в отечественной геотехнике считалось, что поровое давление в слабо фильтрующих глинистых грунтах равно нулю (см. рис. 1, а,), при этом эффективное напряжение σ′, согласно формуле (1), приравнивалась полному напряжению σ (см. рис. 2, а), [2-4]. Такой подход существовал вплоть до появления современных средств измерений порового давления в условиях природного залегания. Однако, первые результаты таких измерений, подтвердили, что в слоях СФГ также фиксируется поровое давление. В результате - обнуление порового давления в слоях СФГ было признано ошибочным [5, 6].
В зарубежной практике в геотехнических расчетах обычно используется гидростатическое распределение порового давления по глубине [7], рассчитанное от уровня первого водоносного горизонта (см. рис. 1, b). Однако, как указывалось выше, при этом не учитывается возможная разница в уровнях подземных вод водоносных горизонтов, залегающих на разных глубинах.
В качестве альтернативы был предложен расчетный способ определения порового давления в СФГ методом линейной интерполяции [12]. Основа метода довольна проста – распределения порового давления в слое СФГ принимается в виде линейной зависимости, соединяющей значение порового давления на кровле и под подошвой слоя (см. рис. 1, с).
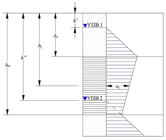
На рис. 3 представлена схема к расчету порового давления методом линейной интерполяции. Условный слой СФГ на схеме расположен между верхним и нижним водоносными горизонтами, которым соответствуют уровни подземных вод – УПВ 1 и УПВ 2.


Рис. 3. Схема к определению параметров для расчета порового давления в слое СФГ методом линейной интерполяции
В соответствии с графическими построениями расчет порового давления на искомой глубине hi в слое СФГ производится по формуле:
![]()
где: γw – удельный вес воды, равный 1 г/см3;
hк – глубина залегания кровли СФГ от поверхности земли, м;
hп – глубина залегания подошвы СФГ от поверхности земли, м;
h′УПВ – глубина залегания УПВ 1, м;
h′′УПВ – глубина залегания УПВ 2, м.
Подробный вывод формулы 2 приведен в статье [1]. Эффективное напряжение, в свою очередь, определяется в соответствии с принципом К. Терцаги по формуле (1).
Следует отметить, что для использования метода линейной интерполяции необходимо знать уровень подземных вод под слоем слабо фильтрующего грунта, поэтому необходимым условием его применения является бурение скважин на глубину, достаточную для определения УПВ в подстилающем водоносным горизонте.
На рис. 4 представлены различные варианты положения УПВ относительно слоя СФГ с распределением в нем порового давления согласно методу интерполяции.

Рис. 4. Принципиальные схемы распределения порового давления при различном положении положения уровней подземных вод относительно слоя СФГ: а – УПВ над кровлей и под подошвой СФГ слоя равны; b –УПВ 2 внутри слоя СФГ; c –УПВ 2 ниже отметки подошвы СФГ слоя; d –УПВ 2 выше уровня УПВ 1
Независимо от расположения УПВ формула 2 справедлива для всех вариантов. При этом для варианта 3 (см. рис. 4, с) в качестве УПВ под подошвой водоупора h′′УПВ следует принимать глубину расположения подошвы слоя СФГ – hп.
Ниже приводится сравнение результатов определения природного порового давления в слабо фильтрующих грунтах расчетными методами с прямыми полевыми измерениями на двух объектах.
На рис. 5 представлены результаты определений порового давления на одном из объектов ООО «ПетроМоделинг» в районе метро Чкаловская в г. Москве.

Рис. 5. Распределение порового давления (а) и вертикального эффективного напряжения (b) по глубине на объекте в районе метро Чкаловская в г. Москве
Гидрогеологические условия площадки характеризуются распространением четырех водоносных горизонтов в пределах участка, три из которых незначительной мощности, разделенных мощными прослоями СФГ с низкими коэффициентами фильтрации.
Из сравнения графиков распределения порового давления по глубине на рис. 5, а видно, что график, построенный по методу интерполяции согласно СП 22.13330.2016, занимает промежуточное положение между графиками с обнулением порового давления в СФГ, согласно СП 22.13330.2011, и графиком гидростатического распределения.
Здесь же представлены результаты прямых измерений напора в водоносных горизонтах и измерения порового давления методом диссипации при статическом зондировании. При сравнении расчетных графиков видно, что с результатами измерений уровня подземных вод (УПВ) совпадает только график линейной интерполяции.
Значения порового давления, определенные методом диссипации по результатам статического зондирования, показанные точками на рисунке 6 отличаются от всех расчетных методов, занимая промежуточное положение между графиками с обнулением и интерполяцией порового давления. При этом измеренные значения порового давления в слое твердой глины в среднем в два раза ниже значений, полученных методом линейной интерполяции.
Причины подобного расхождения результатов могут быть обусловлены как объективными факторами – физико-химическим состоянием поровой воды в твердых глинах, так и субъективными причинами – нарушением грунта в процессе внедрения зонда и низкой продолжительностью измерений. Следует отметить, что данный метод в нашей стране находится в процессе становления и к полученным результатам надо относиться с осторожностью.
Необходимо также отметить, что значения порового давления, полученные методом интерполяции, оказались выше, чем результаты измерений методом диссипации, а значит расчетные значения эффективного напряжения по методу интерполяции будут ниже (рис. 5, b), что работает в сторону повышения фактора безопасности.
Окончательный ответ на вопрос – какой же из расчетных методов определения порового давления является наиболее достоверным, могут дать результаты длительных измерений порового давления в грунтах в условиях их природного залегания. К таким методам можно отнести метод «заполняемых скважин». Суть метода заключается в измерении порового давления при помощи нескольких датчиков, смонтированных на разной высоте общей косы, помещенной в скважину, заполненную глинисто-цементным раствором. При этом, коэффициент фильтрации раствора должен быть значительно ниже, чем в окружающем скважину грунтовом массиве. Благодаря относительно небольшому расстоянию между датчиком и стенкой скважины и неограниченной продолжительности испытания, измеряемое поровое давление со временем становится равным природному поровому давлению. В настоящее время данный метод широко используется за рубежом [13,14].
В нашей стране метод «заполняемых скважин» был реализован на объекте строительства многофункционального высотного комплекса (МФЦ) «Лахта Центр» в г. Санкт-Петербурге. Измерения производились компанией ООО «ПИ Геореконструкция», результаты которых были опубликованы [15].
В инженерно-геологическом отношении верхняя часть разреза площадки строительства перекрыта 20-метровой толщей четвертичных отложений различного генезиса. В диапазоне глубин от 20 до 102 м залегают вендские глины полутвердой и твердой консистенции. Под ними расположен гдовский водоносный горизонт, представленный песчаником.
На момент проведения инженерно-геологических изысканий УПВ над вендскими отложениями практически совпадал с поверхностью земли, а УПВ в гдовском водоносном горизонте был ниже на 12 м за счет промышленного водозабора.
Значения природного порового давления до начала строительства, определенные методом «заполняемых скважин», на рис. 6, а. показаны точками. Здесь же представлены графики распределения порового давления и эффективного вертикального напряжения, полученные тремя расчетными методами.

Рис. 6. Распределение порового давления (а) и вертикального эффективного напряжения (б) по глубине в грунтах основания МФЦ «Лахта Центр» в г. Санкт Петербурге
Как следует из рис. 6, а, все точки измерений природного порового давления по методу «заполняемых скважин» практически совпадали с прямого метода линейной интерполяции, в то время, как другие методы показали значительные отклонения.
Так, при использовании расчета с гидростатическим распределением порового давления в вендских глинах вертикальное эффективное напряжение занижается примерно на 15%, что может привести к недооценке механических характеристик грунтов и неоправданному росту стоимости фундаментов.
В свою очередь обнуление порового давления приводит к завышению эффективного напряжения почти в два раза (рис. 6, б), что, наоборот, может привести к переоценке механических характеристик грунтов и снижению безопасности строительства.
Очевидно, что приведенные выше примеры носят частный характер и соответствуют конкретным инженерно-геологическим условиям рассматриваемой площадки строительства. При иной инженерно-геологической ситуации соотношения между результатами расчетов различными методами будут отличаться.
В настоящее время метод линейной интерполяции включен в действующую редакцию СП 22.13330.2016 в составе п. 5.6.40.
Выводы
1. Различные подходы к расчету порового давления в слабо фильтрующих грунтах (СФГ) оказывают большое влияние на определение параметров природного напряженного состояния грунтового массива и выполняемых на их основе геотехнических расчетов.
2. В настоящее время существует три расчетных способа определения порового давления в слабо фильтрующих грунтах – метод обнуления порового давления, метод гидростатического распределения и метод линейной интерполяции.
3. Метод обнуления порового давления в слоях слабо фильтрующих грунтов следует признать устаревшим, поскольку он противоречит многочисленным результатам прямых измерений порового давления в СФГ.
4. Гидростатический метод не учитывает возможные изменения уровней подземных вод по глубине и может быть использован для геотехнических расчетов основания, представленного одним водоносным горизонтом в зоне взаимодействия геологической среды и сооружения.
5. Более универсальным расчетным методом определения порового давления в слабо фильтрующих грунтах является метод линейной интерполяции, позволяющий учитывать изменение УПВ в различных водоносных горизонтах по глубине.
6. Результаты прямых измерений методом диссипации при статическом зондировании и методом заполняемых скважин в очередной раз подтвердили наличие порового в слоях слабо фильтрующих грунтов.
7. Значения порового давления, определенные ускоренным методом диссипации при статическом зондировании на одном из объектов г. Москвы, оказались ниже значений, полученных методом интерполяции. Определение причин таких отклонений требует проведения комплексных экспериментальных исследований, включающих длительные измерения порового давления.
8. Результаты сопоставления длительных измерений порового давления методом заполняемых скважин в СФГ с расчетами порового давления по методу интерполяции на объекте строительства высотного комплекса «Лахта Центр» в Санкт-Перербурге показали их полное соответствие.
1. Trufanov A.N. Ispol'zovanie metoda lineynoy interpolyatsii dlya opredeleniya parametrov prirodnogo napryazhennogo sostoyaniya slabo fil'truyushchikh gruntov [Using the linear interpolation method to determine the parameters of the natural stress state of weakly filtering soils]. Vestnik NITs «Stroitel'stvo», № 3, 2020, p. 93-104.
2. Boldyrev G.G., Malyshev M.V. Mekhanika gruntov. Osnovaniya i fundamenty (v voprosakh i otvetakh) [Soil mechanics. Foundations and foundations (in questions and answers)]. Izd-vo Penzenskogo gosudarstvennogo universiteta stroitel'stva i arkhitektury, Penza, 2009.
3. Dalmatov B.I. Mekhanika gruntov. Chast' 1. Osnovy geotekhniki [Soil mechanics. Part 1. Fundamentals of geotechnics]. ASV, Moscow-Saint Petersburg, 2000.
4. Ter-Martirosyan Z.G. Mekhanika gruntov [Soil mechanics]. ASV, Moscow, 2009.
5. Tertsagi K., Pek R. Mekhanika gruntov v inzhenernoy praktike [Soil mechanics in engineering practice]. Gosstroyizdat, Moscow, 1958.
6. Trufanov A.N. Vzveshivayushchee deystvie vody v vodoupornom sloe [The weighing effect of water in a water-resistant layer]. Inzhenernaya geologiya, № 2, 2011, p. 36-39.
7. Briaud J.-L. Geotechnical engineering: unsaturated and saturated soils. John Wiley and Sons, New Jersey, NJ, USA, 2013.
8. Mayne P.W., Bachus R.S. Penetration pore pressures in clay by CPTU, DMT, and SBP. Proceedings of the 12th International Conference on soil mechanics and foundation engineering, Rio de Janeiro, Brazil, 1989, pp. 291-294.
9. Schulze R. Pore water pressure effects in clay due to unloading - long-term measurements, change of soil fabric and. Proceedings of the 8th International Symposium ot field measurements in geomechanics 2011, Berlin, Germany, 2011. URL:https://FMGM_2011_Berlin_Schulze_Pore-waterpressure_effects_in_clay.pdf (accessed: 20.01.2022).
10. Simonsen T.R., Sorensen K.K. Field measurements of pore-water pressure changes in a stiff fissured very high plasticity Paleogene clay during excavation and pile driving. Proceedings of the 19th International Conference on soil mechanics and geotechnical engineering, Seoul, South Korea, 2017. URL: https://docs.yandex.ru/docs/field-measurements-of-pore-water-pressure-changes-in-a-stiff-fissured-very-high-plasticity-palaeogene-clay-during-excavation-and-pile-driving_tr-simonsen-kk-soerensen.pdf (accessed: 20.01.2022).
11. Wada A. Excess pore water pressure and its impact. Japanese Geotechnical Society Special Publication, Vol. 2, No. 7, 2016, pp. 335-339, URL: https://doi.org/10.3208/jgssp.SEA-16 (accessed: 20.01.2022).
12. Trufanov A.N. Porovoe davlenie v vodoupornykh sloyakh gruntov [Pore pressure in water-resistant layers of soils]. Perspektivy razvitiya inzhenernykh izyskaniy v stroitel'stve v Rossiyskoy Federatsii, Materialy XV Obshcherossiyskoy konferentsii izyskatel'skikh organizatsiy, Moskva, 2019, p. 57-73.
13. Simonsen T.R., Sorensen K.K., Gadegaard S.S. Permeability of a stiff fissured very high plasticity Paleogene clay - direct and indirect measurement methods and scale effects. Proceedings of the 19th International Conference on soil mechanics and geotechnical engineering, Seoul, South Korea, 2017. URL: https://www.researchgate.net/publication/323199135_Permeability_of_a_stiff_fissured_very_high_plasticity_Palaeogene_clay__direct_and_indirect_measurement_methods_and_scale_effects_ICSMGE2017 (accessed: 20.01.2022).
14. Vaunat J., Gens A., Vasconcelos R. Anisotropy effects in a deep excavation in stiff clay. Fundamentals and applications, Proceedings of the XIIth International Conference on computational plasticity, Barcelona, Spain, 2013, pp. 1-8.
15. Shashkin A.G., Shashkin K.G., Bogov S.G., Lukin V.M. Rezul'taty geotekhnicheskogo monitoringa pri stroitel'stve vysotnogo zdaniya v g. Sankt Peterburge [The results of geotechnical monitoring during the construction of a high-rise building in St. Petersburg]. Geotekhnika, Tom KhII, № 3, 2020, p. 36-52, URL: https://doi.org/10.25296/2221-5514-2020-12-3-36-52 (accessed: 20.01.2022).



